LANGUAGE
繁體中文
ENGLISH
DEUTSCHE
日本語
關於我們
最新消息
產品介紹
技術中心
銷售夥伴
聯絡我們
搜尋
技術中心
-技術文件
目錄下載
技術文件
產品影片
3D圖檔
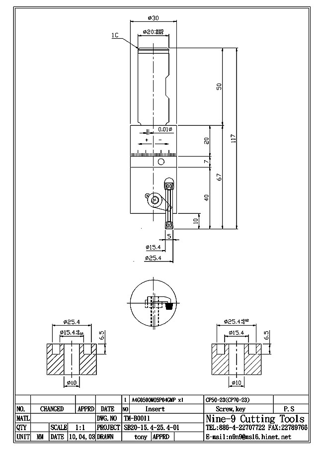
Nine9 耐久公司 加工中心機(M/C)如何做精密切槽 ?
槽刀片搭配在99121上,可以做內槽精加工,可以做外槽精加工。
也可訂製刀桿,裝各式刀片,再應用其微調整功能,達到精加工之目的。
BACK